产品中心

PRODUCT

产品中心

公司始终坚持,品质至上,精益求精,用户至上,诚实取信,服务尽善尽美

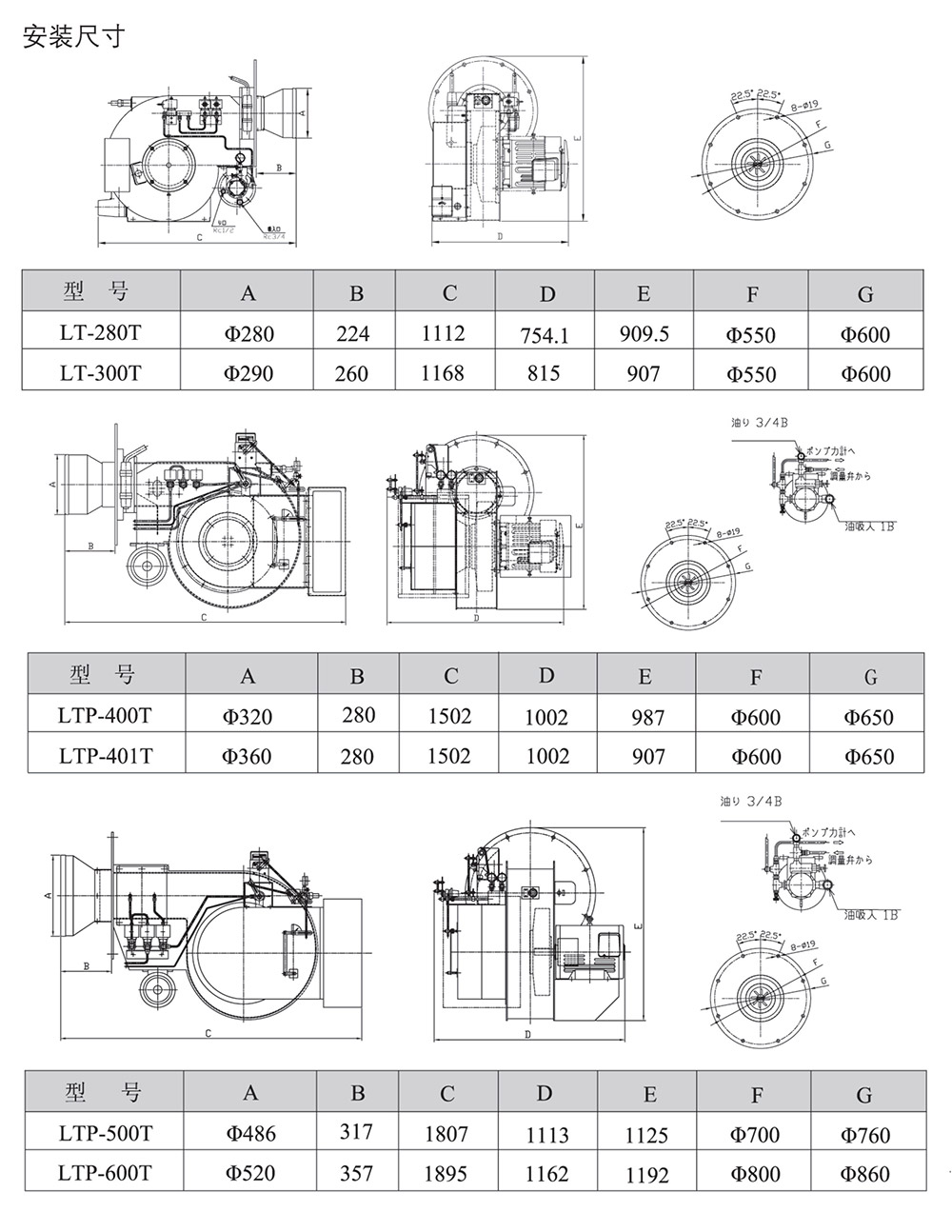
LT系列(二)

产品特点:
特性:1、全自动控制;2、性能稳定、运转可靠;3、高P-Q特性、适应能力强;4、采用安全的紫外线火焰检测系统。
服务热线:88888888710
获取报价 立即联系
质量可靠
品质保障,精益求精
专业厂家
2000平方米的工业专用厂房
服务宗旨
用户为本,诚实取信
Copyright © 2024 青岛8868有限公司  ****-1